Diffusion Pump VHS-400
VHS-400 Diffusion Pump
This Vapor Jet Pump is great for high vacuum applications. This pump is a perfect fit for industrial applications such as vacuum furnace, heat treatment, metallizing, and coating processes for architectural glass and the automotive industry.
- Large Diffusion Pumps
Product Details
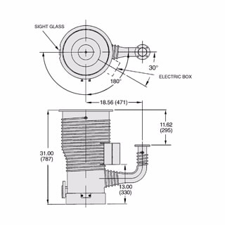
- Patented Bulge Contour increases gas capture
- Fluid-level sight glass provides quick indication of pump fluid status at all times
- Fill and drain assembly for easy maintenance of pump fluid
- Four-stage fractionating jet purifies pumping fluid
- High tolerable forepressure
- Full thermal protection safeguards against all thermal overloads
- Finned boiler increases surface area, prolonging pumping fluid life
- Quick cool coil is standard
- Foreline baffle prevents fluid loss into backing system
- Stainless steel body
| Backstreaming Rate |
|
| Cooldown Time |
|
| Electrical Requirements |
|
| Fluid Charge |
|
| Fluid Type |
|
| Input Voltage |
|
| Maximum Forepressure - Full Load |
|
| Maximum Forepressure - No Load |
|
| Maximum Throughput |
|
| Operating Range |
|
| Pump Power |
|
| Pump Weight |
|
| Pumping Speed - Air |
|
| Pumping Speed - Air, via AVS 4.1 (1963) |
|
| Pumping Speed - He/H2 |
|
| Recommended Backing Pump |
|
| Warmup Time |
|
| Water Connections |
|
| Water Cooling - Temperature Requirement |
|
| Water Cooling Flow Requirement |
|
- Brochures
-
Vacuum and Leak Detection Reference: Formulas, Properties, and Glossary
This reference helps users to keep important properties, formulas, and terms used in vacuum technology at their fingertips.
- Brochures
- English
- 27 Oct 2022
- 1.10 MB
Agilent Vacuum and Leak Detection Solutions for e-Mobility
Vacuum and leak detection solutions in advanced industrial processes for vehicle manufacturing, supporting the transition to sustainable mobility.
- Brochures
- English
- 18 Aug 2022
- 9.41 MB
Spanish Version: Sustainability in the Vacuum Industry: A Guide to Agilent Vacuum and Leak Detection Green Solutions
Learn more about sustainable vacuum products and solutions in this exhaustive guide.
- Brochures
- Spanish
- 13 Nov 2023
- 2.23 MB
Sustainability in the Vacuum Industry: A Guide to Agilent Vacuum and Leak Detection Green Solutions
Learn more about sustainable vacuum products and solutions in this exhaustive guide.
- Brochures
- English
- 15 Sep 2023
- 19.15 MB
Spanish Version: Agilent Vacuum and Leak Detection Solutions for e-Mobility
Vacuum and leak detection solutions in advanced industrial processes for vehicle manufacturing, supporting the transition to sustainable mobility.
- Brochures
- Spanish
- 08 Aug 2022
- 2.81 MB
- Catalogs
- Data Sheets
- Technical Overviews
- Certificates of Conformance
-
Agilent Vacuum Product Declarations of Conformity Reference List
Contains a reference list of Vacuum Products Declarations of Conformity. Each vacuum product is shipped with the specific Declaration of Conformity.
- Certificates of Conformance
- English
- 26 Nov 2025
- 142.59 KB
- FAQs
- Supplemental Information
- User Manuals
Didn’t find what you need?
Try these resources or use Chat Now/Message Us
Videos
Vacuum Technologies Webinar Library
Join us to learn more about Vacuum Technologies and their applications!
Primer - Agilent Solutions for the Lithium-Ion Battery Industry
Unclear where to begin your lithium-ion battery testing journey? Need clarity on how to address multiple testing needs? Read Agilent's introductory guide to mineral, processing, cell component, and leak testing solutions and set your lab up for success.
- 19 Dec 2023
Vacuum Technology Application & Training
Let Agilent vacuum experts help you discover better solutions for your application or train you on vacuum and leak detection concepts and theory. Our Application Engineers combine expertise in vacuum systems and design with experience in industry and research environments. They can assist you in all aspects from theory and design to materials science and apply it to your specific situation.|With 60 years of vacuum experience, we can help to optimize your application. Our engineers go beyond reactive troubleshooting, providing trusted answers and solutions to improve your business productivity.|Talk to our experts using the online chat to find out more about our training and application support options.
Diffusion Pump Repair & Spare Parts
Find the right heaters, o-rings, thermal switches, oil, sight glass, or other spare parts or consumables for your Agilent or Varian diffusion pump to keep its performance at peak levels. Only parts from the original equipment manufacturer ensure fit, form, and function for your diffusion pump. Common spare parts and consumables are stocked for fast delivery and can be ordered easily on our online store.|Use the online chat to talk to our experts and identify the right parts for your diffusion pump or to get advice on achieving optimal pump performance.
Vacuum Product Spare Parts & Consumables
Get genuine original manufacturer parts for your Agilent or Varian vacuum equipment. Including parts for your leak detector, diffusion pump, scroll pump, ion pump, rotary vane pump, and XGS gauge controller. Commonly needed components include pump heaters, pump oil, maintenance kits, tip seals, filaments, thermostats, O-rings, and spectrometers.|Use the online chat for help finding the right parts.